Kunci pintu kabinet industriadalah komponen pelindung utama kabinet pengedaran, kabinet komunikasi, kotak kawalan dan peralatan lain, yang secara langsung berkaitan dengan keselamatan komponen elektrik dalaman dan operasi sistem yang stabil.
Untuk memenuhi pelbagai keperluan masa penghantaran dan spesifikasi untuk projek yang berbeza, syarikat kami sentiasa mempunyai lima jenis kunci yang biasa digunakan dalam stok --Kunci Bar Panjang, Kunci Panel, Kunci Kawalan Rod, Kunci Pemegang,Kunci Lidah Putar. Pada masa yang sama, kami menyokong sebarang kunci bukan standard yang disesuaikan mengikut lukisan atau sampel, yang sangat sesuai untuk semua jenis kotak pengedaran logam.
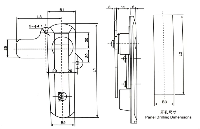
Kunci satah adalah salah satu jenis kunci pintu kabinet perindustrian yang paling biasa, cantik dan mudah diselenggara. Syarikat kami melancarkan kunci pesawat siri AB301, AB302, AB303, AB402, AB403, dalam kekuatan struktur, prestasi perlindungan dan rasa operasi reka bentuk yang dibezakan, boleh memenuhi spesifikasi berbeza kotak pengedaran, keperluan pemasangan kabinet kawalan.
| Dimensi | Nombor Produk | |||||||
| L1 | L2 | L3 | B1 | B2 | Penyaduran krom kelabu | Cat semburan kelabu | Bersalut serbuk hitam | Berat(g) |
| 147 | 117 | 72 | 33 | 26.5 | AB301-1-1.2 | AB301-1-1.8 | AB301 | 370 |
| 120.5 | 95.5 | 65 | 30 | 23.5 | AB301-2-1.2 | AB301-2-1.8 | AB302 | 290 |
| 87.5 | 62.5 | 65 | 28.5 | 23.5 | AB301-3-1.2 | AB301-3-1.8 | AB303 | 215 |
Bahan utama: aloi zink.
Rawatan permukaan: krom terang, matte, hitam.
Fungsi dan penggunaan: Realisasikan pembukaan pintu kiri dan kanan, mudah digunakan, dengan fungsi pengedap dan kalis air.
Bahan utama: aloi zink.
Rawatan permukaan: krom terang, matte, hitam.
Fungsi dan penggunaan: Realisasikan pembukaan pintu kiri dan kanan, mudah digunakan, dengan fungsi pengedap dan kalis air.
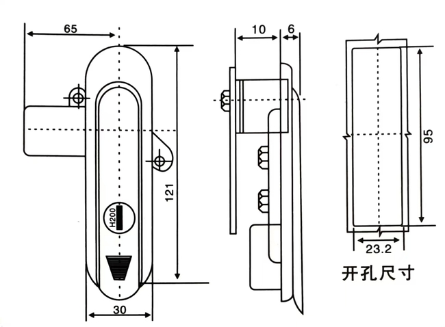
Bahan: badan kunci aloi zink, aci berputar, bolt keluli tergalvani, plat tekanan.
Rawatan permukaan: semburan nano kelabu perak.
Perihalan struktur: Putar 90 darjah untuk membuka atau mengunci.
| MODEL | L1 | L2 | L3 | B1 | B2 | B3 |
| AB402-A BARU | 123 | 95.5 | 65 | 36.5 | 30 | 23.5 |
| AB403-A BARU | 91 | 62.5 | 65 | 33 | 28.5 | 23.5 |
| AB401-A BARU | 151 | 117 | 72 | 36 | 30 | 26.5 |
